E-mail
ipv70 30 proportional flow control valve
ipv70 30 proportional flow control valve
proportional flow control valve
3 way proportional flow control valve
electronic proportional flow control valve

IPV70-30 Proportional Flow Control Valve

A solenoid-operated, electrically-variable, three-port, pressure-compensated, spool-type, normally closed when de-energized, proportional flow controlvalve. lt can be used as a priority-type flow regulator with pressure-compensated, regulated and bypass flow. It can also be used as a restrictive-type 2-way, pressure-compensated flow regulator when the bypass line (port ②) is blocked.

Get a Quote
Products

Specifications of IPV70-30 Proportional Flow Control Valve

Operating PressurePort①: 240 bar (3500 psi); Ports②&③: 207 bar (3000 psi)
Regulated Flow RateBypass Blocked, Range A: 26 lpm (7 gpm);
Bypass Blocked, Range B: 17 lpm (4.5 gpm)
Bypass Open, Range A: 30 lpm (8 gpm);
Bypass Open, Range B: 17 lpm (4.5 gpm)
Maximum Input Flow

Bypass Open, Range A: 50 lpm (13 gpm)

Bypass Open, Range B: 26 lpm (7 gpm)

Internal Leakage197 ml/min. (12 cu. in./min.) fully closed at 207 bar (3000 psi)
Electrical2 standard voltage ratings
FluidsMineral-based or synthetics with lubricating properties at viscosities of
7.4 to 420 cSt (50 to 2000 ssu)
InstallationNo restrictions
CavityIVC10-3; See page 300


Materials

CartridgeWeight: 0.19 kg. (0.42 lbs.); Steel with hardened work surfaces.
Zinc-plated exposed surfaces; Seal: O-rings and back-up rings.
Standard Ported BodyWeight: 0.36 kg. (0.80 lbs.); Anodized high-strength 6061
T6 aluminum alloy, rated to 240 bar (3500 psi); Ductile iron and steel
bodies available; dimensions may differ; Consult Inno.
IPV70-Seires CoilWeight: 0.32 kg. (0.7 lbs.); Unitized thermoplastic encapsulated, Class H high temperature magnetwire.
Coil Voltage12VDC
24VDC
Threshold Current350±70 mA
175±35 mA
Max. Control Current1500±200 mA
750±100 mA


Features of IPV70-30 Proportional Flow Control Valve

1. Excellent linearity and hysteresis.
2. Hardened spool and cage for long life.
3. Optional coil voltages and terminations.
4. Efficient wet armature construction.


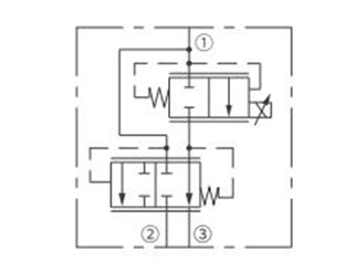
Operation Symbol of IPV70-30 Proportional Flow Control Valve

Operation Symbol of IPV70-30 Proportional Flow Control Valve

The IPV70-30 will regulate flow out of port ③ regardless of system working pressure. With an increasing current applied to the solenoid, the IPV70-30 will increase output flow.


When used as a bypass flow control in applications where the priority flow port will be blocked by external valving, the bypass pressure drop will increase unless a small amount of leakage is provided for the priority port. Consult Inno.


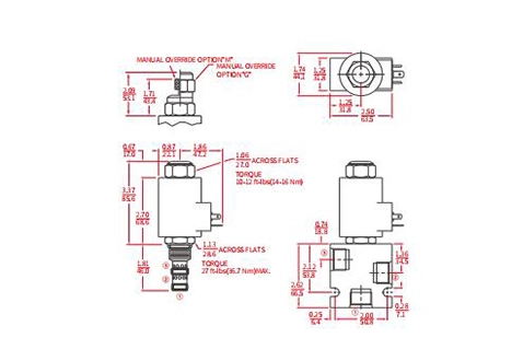
Operation of Manual Override Option


To Engage


Turn clockwise approximately 1 turn to reach the start point. Continue another approximately 5 turns to full shift.


To Disengage


Turn counterclockwise approximately 6 turns to positive stop.

Performance/Dimension/Sectional Drawing of IPV70-30 Proportional Flow Control Valve

Sectional Drawing
Performance/Dimension/Sectional Drawing of IPV70-30 Proportional Flow Control Valve
DIMENSION (inch/mm)
Performance/Dimension/Sectional Drawing of IPV70-30 Proportional Flow Control Valve
PERFORMANCE (cartridge only)
Performance/Dimension/Sectional Drawing of IPV70-30 Proportional Flow Control Valve
PERFORMANCE (cartridge only)
Performance/Dimension/Sectional Drawing of IPV70-30 Proportional Flow Control Valve
PERFORMANCE (cartridge only)
Performance/Dimension/Sectional Drawing of IPV70-30 Proportional Flow Control Valve
Latest News & Blogs From INNO
About Hydraulic Valve Supplier INNO Home Hydraulic Cartridge Valve About Us Download Sanitation Vehicle Directional Check Valve Hydraulic Needle Valve Pilot Operated Relief Valves Poppet, 2-Way, N.C. Hydraulic Solenoid Valve Electro-Proportional Pressure Control Valve Working Principle of Hydraulic Cartridge Valves ICV12-20 Poppet Check Valve IPC12-30 Pilot-to-Open Check Valve (Dual-Pilot-Operated) ILS04-B30 Load Shuttle Ball Valve IPD10-40 Piloted 3-Way Spool Valve IMR10-47A Manual Directional Valve IEP08-35 Piloted Logic Element Valve INV08-20A Hydraulic Needle Valve IFD50-45 Flow Divider/Combiner IRV10-26 Pilot-Operated Spool Relief Valve IRV08-20 Relief Valve Direct-Acting Poppet IRSDC-LBN Sequence Valve ISV08-24 Spool 2-Way N.C. Solenoid Valve ISV08-30 Spool 3-Way 2-Position Solenoid Valve I1CPBD120F2P Counterbalance Valve Wuhu Inno Hydraulic Technology Co., Ltd. Hydraulic Valve Catalog Products Our Strengths FAQs Construction Machinery Directional Control Valve Pilot-To-Open Check Valves Hydraulic Flow Divider/Combiner Direct Acting Relief Valves Spool, 3-Way, 2-Position Hydraulic Solenoid Valve Electro-Proportional Directional Control Valve ICV16-20 Poppet Check Valve Selection of Insertion Valve and Types of Insertion Valve Core ICKBB Pilot-to-Open Check Valve ILS08-30 Load Shuttle Ball Valve IPD10-41 Piloted 3-Way Spool Valve IMR10-47B Manual Directional Valve IEP10-S35 Piloted Logic Element Valve INV08-20 Hydraulic Needle Valve IFD52-45 Flow Divider/Combiner IRV08-B20 Relief Valve Direct-Acting Poppet ISV10-24 Spool 2-Way N.C. Solenoid Valve ISV10-30 Spool 3-Way 2-Position Solenoid Valve I1CPBD300F2P Counterbalance Valve About Soonday Our History Blog Video Lifter Hydraulic Flow Control Valve Load Shuttle Ball Valve Pressure Compensated Flow Control Valve Direct Acting Sequence Valve Spool, 4 Way, 2 Position Hydraulic Solenoid Valve Proportional Flow Control Valve ICV08-C20 Ball Valve, Check Valve Introduction to Hydraulic Cartridge Valves ICKCB Pilot-to-Open Check Valve ILS08-B30 Load Shuttle Ball Valve (High Pressure) IPD10-42 Piloted 3-Way Spool Valve IEP12-S35 Piloted Logic Element Valve INV10-20 Hydraulic Needle Valve IFD56-45 Flow Divider/Combiner IRV09-20 Relief Valve Direct-Acting Poppet ISV08-B31 Spool 3-Way 2-Position Solenoid Valve ICBBA-LHN Counterbalance Valve Our Brand Applications Agricultural Machinery Pressure Control Valves Pilot Operated Directional Control Valve ICV04-B20 Ball Valve, Check Valve ILS10-30 Load Shuttle Ball Valve ICKCD Pilot-To-Open Check Valves INV12-20 Hydraulic Needle Valve IFC10-20 Restrictor Check Valve IRV10-20 Relief Valve Direct-Acting Poppet ISV08-B34 Spool 3-Way 2-Position Solenoid Valve ISV08-40R Spool 4 Way 2 Position Solenoid Valve ICBBG-LJN Counterbalance Valve IPV70-30 Proportional Flow Control Valve Hydraulic Directional Valve Resource Hydraulic Solenoid Valve Manual Hydraulic Directional Control Valve ICV42-M20 Poppet, Check Valve ILS10-B30 Load Shuttle Ball Valve (High Pressure) IPC08-30 Pilot-To-Open Check Valves INV08-21 Hydraulic Needle Valve IFR08-20F Flow Fregulator Pressure-Compensated Valve IEC10-42 Restrictor Check Valve IRV10-B20 Relief Valve Direct-Acting Poppet ISV08-B35 Spool 3-Way 2-Position Solenoid Valve (High Pressure) ISV08-B40 Spool 4 Way 2 Position Solenoid Valve ICBCA-LHN Counterbalance Valve IPV72-30 Proportional Flow Control Valve Working Principle of an One Direction Valve Our Culture News Hydraulic Counterbalance Valve Piloted Logic Element Valve ICV2000-G14 Screw-In Check Valve IPC10-32 Pilot-To-Open Check Valves INV10-22 Hydraulic Needle Valve IFR10-39 Flow Fregulator Pressure-Compensated Valve ISV08-31 Spool 3-Way 2-Position Solenoid Valve ICBCG-LJN Counterbalance Valve ISP08-20 2-Way N.C. Poppet Valve Hydraulic System Maintenance and Daily Care Contact Electro-Proportional Valve ICV08-20 Poppet Valve, Check Valve (High Pressure) IFR12-33 Flow Fregulator Pressure-Compensated Valve ISV08-33 Spool 3-Way 2-Position Solenoid Valve ICBCH-LJN Counterbalance Valve ITS10-26 Piloted Relief Valve Hydraulic Research and Development Dynamic Introduction Awards & Recognition Search Result Hydraulic Accessories ICV08-B20 Ball Valve, Check Valve (High Pressure) ISV08-35 Spool 3-Way 2-Position Solenoid Valve ICBEA-LHN Counterbalance Valve ITS10-27 Piloted Relief Valve Installation and Connection of Hydraulic Valve Sitemap Electronic Component ICV10-20 Ball Valve, Check Valve ISV10-34 Spool 3-Way 2-Position Solenoid Valve ICBEG-LJN Counterbalance Valve ITS10-36 Reducing/Relieving Valve RWTH Aachen, Germany Research Status Brief 2013 404 ICV10-B20 Poppet Valve, Check Valve (High Pressure) ISV10-38 Spool 3-Way 2-Position Solenoid Valve ICBGG-LJN Counterbalance Valve Do a Durability Test Privacy Policy ICV10-C20 Ball Valve, Check Valve ISV38-38 Spool 3-Way 2-Position N.C. Solenoid Valve ICBIG-LJN Counterbalance Valve Review of Research on Axial Piston Pump Motors in the Last 40 Years Submission Successful! ICV04-20 Ball Valve, Check Valve Don't Stop at the Dynasties of the Gauge Taggg ICV10-D20 Ball Valve, Check Valve Discussion on The Fourth Industrial Revolution Search Result Products ICV2000-G12 Screw-In Check Valve My Thoughts on Digital Hydraulics Search Result Others ICV2000-G38 Screw-In Check Valve Will Hydraulics be Replaced? ICV2500-G18 Screw-In Check Valve ISV08-20 Poppet 2-Way N.C. Solenoid Valve (Standard) The Power of Load Sense Shuttle Valves: Enhancing Efficiency in Hydraulic Machinery ISV08-20J Poppet 2-Way N.C. Pull-Only Manual Override Understanding the Pressure compensated flow control valve working principle. ISV08-22 Poppet 2-Way N.C. Solenoid Valve Streamlining Fluid Control: the Power of One Direction Flow Valves ISV08-28 Poppet 2-Way N.C. Bi-Directional Blocking Don't be stuck in the age of pressure gauges ISV08-B20 Poppet 2-Way N.C. Solenoid Valve (High Performance) The Role of Direct-Acting Sequence Valves in Industrial Automation ISV10-20 Poppet 2-Way N.C. Solenoid Valve How Direct-Acting Sequence Valves Enhance Hydraulic Systems ISV10-22 Poppet 2-Way N.C. Solenoid Valve Design Considerations for Selecting the Right Direct-Acting Sequence Valve ISV10-28 Poppet 2-Way N.C. Bi-Directional Blocking Troubleshooting Tips for Hydraulic Pilot Operated Directional Control Valves ISV10-B20 Poppet 2-Way N.C. Solenoid Valve (High Performance) ISV12-20 Poppet 2-Way N.C. Solenoid Valve ISV12-22 Poppet 2-Way N.C. Solenoid Valve ISV12-28 Poppet 2-Way N.C. Bi-Directional Blocking ISV12-B20 Poppet 2-Way N.C. Solenoid Valve (High Performance) ISV16-20 Poppet 2-Way N.C. Solenoid Valve ISV16-22 Poppet 2-Way N.C. Solenoid Valve ISV16-B20 Poppet 2-Way N.C. Solenoid Valve (High Performance) ISV38-20J Poppet 2-Way N.C. Solenoid Valve ISV38-28 Poppet 2-Way N.C. Bi-Directional Blocking
Quick Links
Contact
400-865-6067 wz@yinqingli.com
杭州市余杭区欧美金融城(EFC)T5,801
Follow Us
About Hydraulic Valve Supplier INNO Home Hydraulic Cartridge Valve About Us Download Sanitation Vehicle Directional Check Valve Hydraulic Needle Valve Pilot Operated Relief Valves Poppet, 2-Way, N.C. Hydraulic Solenoid Valve Electro-Proportional Pressure Control Valve Working Principle of Hydraulic Cartridge Valves ICV12-20 Poppet Check Valve IPC12-30 Pilot-to-Open Check Valve (Dual-Pilot-Operated) ILS04-B30 Load Shuttle Ball Valve IPD10-40 Piloted 3-Way Spool Valve IMR10-47A Manual Directional Valve IEP08-35 Piloted Logic Element Valve INV08-20A Hydraulic Needle Valve IFD50-45 Flow Divider/Combiner IRV10-26 Pilot-Operated Spool Relief Valve IRV08-20 Relief Valve Direct-Acting Poppet IRSDC-LBN Sequence Valve ISV08-24 Spool 2-Way N.C. Solenoid Valve ISV08-30 Spool 3-Way 2-Position Solenoid Valve I1CPBD120F2P Counterbalance Valve Wuhu Inno Hydraulic Technology Co., Ltd. Hydraulic Valve Catalog Products Our Strengths FAQs Construction Machinery Directional Control Valve Pilot-To-Open Check Valves Hydraulic Flow Divider/Combiner Direct Acting Relief Valves Spool, 3-Way, 2-Position Hydraulic Solenoid Valve Electro-Proportional Directional Control Valve ICV16-20 Poppet Check Valve Selection of Insertion Valve and Types of Insertion Valve Core ICKBB Pilot-to-Open Check Valve ILS08-30 Load Shuttle Ball Valve IPD10-41 Piloted 3-Way Spool Valve IMR10-47B Manual Directional Valve IEP10-S35 Piloted Logic Element Valve INV08-20 Hydraulic Needle Valve IFD52-45 Flow Divider/Combiner IRV08-B20 Relief Valve Direct-Acting Poppet ISV10-24 Spool 2-Way N.C. Solenoid Valve ISV10-30 Spool 3-Way 2-Position Solenoid Valve I1CPBD300F2P Counterbalance Valve About Soonday Our History Blog Video Lifter Hydraulic Flow Control Valve Load Shuttle Ball Valve Pressure Compensated Flow Control Valve Direct Acting Sequence Valve Spool, 4 Way, 2 Position Hydraulic Solenoid Valve Proportional Flow Control Valve ICV08-C20 Ball Valve, Check Valve Introduction to Hydraulic Cartridge Valves ICKCB Pilot-to-Open Check Valve ILS08-B30 Load Shuttle Ball Valve (High Pressure) IPD10-42 Piloted 3-Way Spool Valve IEP12-S35 Piloted Logic Element Valve INV10-20 Hydraulic Needle Valve IFD56-45 Flow Divider/Combiner IRV09-20 Relief Valve Direct-Acting Poppet ISV08-B31 Spool 3-Way 2-Position Solenoid Valve ICBBA-LHN Counterbalance Valve Our Brand Applications Agricultural Machinery Pressure Control Valves Pilot Operated Directional Control Valve ICV04-B20 Ball Valve, Check Valve ILS10-30 Load Shuttle Ball Valve ICKCD Pilot-To-Open Check Valves INV12-20 Hydraulic Needle Valve IFC10-20 Restrictor Check Valve IRV10-20 Relief Valve Direct-Acting Poppet ISV08-B34 Spool 3-Way 2-Position Solenoid Valve ISV08-40R Spool 4 Way 2 Position Solenoid Valve ICBBG-LJN Counterbalance Valve IPV70-30 Proportional Flow Control Valve Hydraulic Directional Valve Resource Hydraulic Solenoid Valve Manual Hydraulic Directional Control Valve ICV42-M20 Poppet, Check Valve ILS10-B30 Load Shuttle Ball Valve (High Pressure) IPC08-30 Pilot-To-Open Check Valves INV08-21 Hydraulic Needle Valve IFR08-20F Flow Fregulator Pressure-Compensated Valve IEC10-42 Restrictor Check Valve IRV10-B20 Relief Valve Direct-Acting Poppet ISV08-B35 Spool 3-Way 2-Position Solenoid Valve (High Pressure) ISV08-B40 Spool 4 Way 2 Position Solenoid Valve ICBCA-LHN Counterbalance Valve IPV72-30 Proportional Flow Control Valve Working Principle of an One Direction Valve Our Culture News Hydraulic Counterbalance Valve Piloted Logic Element Valve ICV2000-G14 Screw-In Check Valve IPC10-32 Pilot-To-Open Check Valves INV10-22 Hydraulic Needle Valve IFR10-39 Flow Fregulator Pressure-Compensated Valve ISV08-31 Spool 3-Way 2-Position Solenoid Valve ICBCG-LJN Counterbalance Valve ISP08-20 2-Way N.C. Poppet Valve Hydraulic System Maintenance and Daily Care Contact Electro-Proportional Valve ICV08-20 Poppet Valve, Check Valve (High Pressure) IFR12-33 Flow Fregulator Pressure-Compensated Valve ISV08-33 Spool 3-Way 2-Position Solenoid Valve ICBCH-LJN Counterbalance Valve ITS10-26 Piloted Relief Valve Hydraulic Research and Development Dynamic Introduction Awards & Recognition Search Result Hydraulic Accessories ICV08-B20 Ball Valve, Check Valve (High Pressure) ISV08-35 Spool 3-Way 2-Position Solenoid Valve ICBEA-LHN Counterbalance Valve ITS10-27 Piloted Relief Valve Installation and Connection of Hydraulic Valve Sitemap Electronic Component ICV10-20 Ball Valve, Check Valve ISV10-34 Spool 3-Way 2-Position Solenoid Valve ICBEG-LJN Counterbalance Valve ITS10-36 Reducing/Relieving Valve RWTH Aachen, Germany Research Status Brief 2013 404 ICV10-B20 Poppet Valve, Check Valve (High Pressure) ISV10-38 Spool 3-Way 2-Position Solenoid Valve ICBGG-LJN Counterbalance Valve Do a Durability Test Privacy Policy ICV10-C20 Ball Valve, Check Valve ISV38-38 Spool 3-Way 2-Position N.C. Solenoid Valve ICBIG-LJN Counterbalance Valve Review of Research on Axial Piston Pump Motors in the Last 40 Years Submission Successful! ICV04-20 Ball Valve, Check Valve Don't Stop at the Dynasties of the Gauge Taggg ICV10-D20 Ball Valve, Check Valve Discussion on The Fourth Industrial Revolution Search Result Products ICV2000-G12 Screw-In Check Valve My Thoughts on Digital Hydraulics Search Result Others ICV2000-G38 Screw-In Check Valve Will Hydraulics be Replaced? ICV2500-G18 Screw-In Check Valve ISV08-20 Poppet 2-Way N.C. Solenoid Valve (Standard) The Power of Load Sense Shuttle Valves: Enhancing Efficiency in Hydraulic Machinery ISV08-20J Poppet 2-Way N.C. Pull-Only Manual Override Understanding the Pressure compensated flow control valve working principle. ISV08-22 Poppet 2-Way N.C. Solenoid Valve Streamlining Fluid Control: the Power of One Direction Flow Valves ISV08-28 Poppet 2-Way N.C. Bi-Directional Blocking Don't be stuck in the age of pressure gauges ISV08-B20 Poppet 2-Way N.C. Solenoid Valve (High Performance) The Role of Direct-Acting Sequence Valves in Industrial Automation ISV10-20 Poppet 2-Way N.C. Solenoid Valve How Direct-Acting Sequence Valves Enhance Hydraulic Systems ISV10-22 Poppet 2-Way N.C. Solenoid Valve Design Considerations for Selecting the Right Direct-Acting Sequence Valve ISV10-28 Poppet 2-Way N.C. Bi-Directional Blocking Troubleshooting Tips for Hydraulic Pilot Operated Directional Control Valves ISV10-B20 Poppet 2-Way N.C. Solenoid Valve (High Performance) ISV12-20 Poppet 2-Way N.C. Solenoid Valve ISV12-22 Poppet 2-Way N.C. Solenoid Valve ISV12-28 Poppet 2-Way N.C. Bi-Directional Blocking ISV12-B20 Poppet 2-Way N.C. Solenoid Valve (High Performance) ISV16-20 Poppet 2-Way N.C. Solenoid Valve ISV16-22 Poppet 2-Way N.C. Solenoid Valve ISV16-B20 Poppet 2-Way N.C. Solenoid Valve (High Performance) ISV38-20J Poppet 2-Way N.C. Solenoid Valve ISV38-28 Poppet 2-Way N.C. Bi-Directional Blocking
Contact
400-865-6067 wz@yinqingli.com
杭州市余杭区欧美金融城(EFC)T5,801
Follow Us